设备应用简介(台湾HIWIN精密研磨滚珠丝杆FSW系列): |
| 上海汉承机电设备有限公司(热线电话:021-64961718 13916343185)特价供应优质韩国SBC直线导轨、上银直线导轨、圆柱直线导轨、THK直线导轨、国产直线导轨、CPC直线导轨、TBI直线导轨、微型直线导轨 HIWIN直线导轨、滚珠丝杆、导轨丝杆、重载荷直线导轨副、高精密滚珠丝杆副 滚柱导轨 交叉滚子导轨 TE导轨, 产品已经广泛应用于包装印刷、焊接切割、自动化雕刻等一系列机械
精密研磨级滚珠丝杠:CNC机械,精密工具机,产业机械,电子机械,输送机械,航天工业,其它天线使用的致动器、阀门开关装置等 |
|
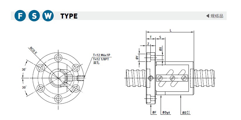
设备详细描述(台湾HIWIN精密研磨滚珠丝杆FSW系列): |
|
|
|
服务承诺(台湾HIWIN精密研磨滚珠丝杆FSW系列) |
一、本设备"台湾HIWIN精密研磨滚珠丝杆FSW系列"一经售出自销售之日起,严格按照说明书三包一年,终身提供维修;
二、凡在汉承设备网销售的"台湾HIWIN精密研磨滚珠丝杆FSW系列",无论价格有多大的优惠但设备的品质均不低于市场上销售的同类产品;
三、在本站购买的产品都是按照国家有关规定,出厂是经过严格的检验,达到有关产品质量标准的合格产品;
四、上海汉承设备和生产供货商联合对设备的质量全权负责; |
|
|
与"台湾HIWIN精密研磨滚珠丝杆FSW系列"相关的设备>> |
|
|
| |